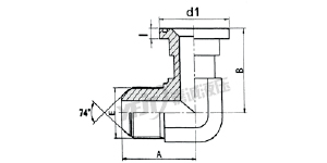
1JFL9 90° 弯美制JIC外螺纹74外锥/轻系列法兰 ISO6162-1
90° ELBOW JIC MALE 74°CONE/L-SERIES FLANGE ISO 6162-1
 |
代号 Part No |
螺纹Thread |
法兰型号 |
尺寸Dimensions |
| E |
Flange Size |
A |
B |
I |
d1 |
| 1JFL9-08 |
3/4"×16 |
1/2" |
32.5 |
44 |
6.73 |
30.2 |
| 1JFL9-08-12 |
3/4"×16 |
3/4" |
38 |
54.1 |
6.73 |
38.1 |
| 1JFL9-10-08 |
7/8"×14 |
1/2" |
37.5 |
44 |
6.73 |
30.2 |
| 1JFL9-10-12 |
7/8"×14 |
3/4" |
41 |
54.1 |
6.73 |
38.1 |
| 1JFL9-12 |
1.1/16"×12 |
3/4" |
44.5 |
54.1 |
6.73 |
38.1 |
| 1JFL9-12-16 |
1.1/16"×12 |
1" |
48 |
60.2 |
8 |
44.4 |
| 1JFL9-16 |
1.5/16"×12 |
1" |
49 |
60.2 |
8 |
44.4 |
| 1JFL9-16-12 |
1.5/16"×12 |
3/4" |
49 |
58 |
6.73 |
38.1 |
| 1JFL9-16-20 |
1.5/16"×12 |
1.1/4" |
54 |
66.5 |
8 |
50.8 |
| 1JFL9-20 |
1.5/8"×12 |
1.1/4" |
55.5 |
66.5 |
8 |
50.8 |
| 1JFL9-20-16 |
1.5/8"×12 |
1" |
55.5 |
65 |
8 |
44.4 |
| 1JFL9-20-24 |
1.5/8"×12 |
1.1/2" |
60 |
79.3 |
8 |
60.3 |
| 1JFL9-24 |
1.7/8"×12 |
1.1/2" |
62.5 |
79.3 |
8 |
60.3 |
| 1JFL9-24-20 |
1.7/8"×12 |
1.1/4" |
62.5 |
75.5 |
8 |
50.8 |
| 1JFL9-24-32 |
1.7/8"×12 |
2” |
74.5 |
108 |
9.53 |
71.4 |
| 1JFL9-32 |
2.1/2"×12 |
2" |
80 |
108 |
9.53 |
71.4 |
|