• 描述
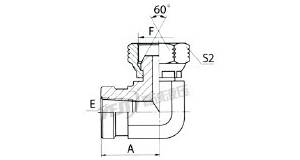
  • 7NU9-S 90° 弯布锥管内螺纹/美制NPSM内螺纹60°外锥

    90° ELBOW NPT FEMALE I NPSM FEMALE 60° CONE

    代号
    Part No
    螺纹Thread 尺寸Dimensions
    E F A S2
    7NU9-02S Z1/8"×27 1/8"×27 17.8 15
    7NU9-04-02S Z1/4"×18 1/8"×27 22.5 15
    7NU9-04S Z1/4"×18 1/4"×18 22.5 19
    7NU9-04-06S Z1/4"×18 3/8"×18 22.5 22
    7NU9-06S Z3/8"×18 3/8"×18 25 22
    7NU9-06-08S Z3/8"×18 1/2"×14 25 27
    7NU9-08-06S 21/2"×14 3/8"×18 31.2 22
    7NU9-08S Z1/2"×14 1/2"×14 31.2 27
    7NU9-08-12S Z1/2"×14 3/4"×14 31.2 32
    7NU9-12-08S Z3/4"×14 1/2"×14 34.5 27
    7NU9-12S Z3/4"×14 3/4"×14 34.5 32
    7NU9-12-16S 23/4"×14 1"×11.5 34.5 41
    7NU9-16S Z1"×11.5 1"×11.5 41 41
    7NU9-20S Z1.1/4"×11.5 1.1/4"×11.5 43.2 50
    7NU9-24S Z1.1/2"×11.5 1.1/2"×11.5 52.8 55
关于嘉诚
宁波嘉诚液压有限公司

宁波嘉诚液压有限公司位于美丽的杭州与宁波之间,在杭州湾跨海大桥南岸,交通十分便捷,车程到宁波1小时,到杭州一小时半,到上海2个小时。
公司创建于1985年,占地面积20亩,厂房面积20000m,是国内液压管接件行业当中知名制造商之一,产品有软管总成、软管接头、过渡接头等,并代理国内外知名胶管,为了确保品质与国外行业同步,公司引进了先进的加工设备及检测设备,全方位保证了产品工艺的可靠性。
为了保证批量产品质量的稳定,公司率先通过了GB/T19001-2008/ISO9001:2008质量体系认证,以质量为纲,严格管理创立品牌,公司目前的软管总成、软管接头、过渡接头,与国内主机厂配套并大批量销往世界各地。嘉诚公司将一如既往,精益求精,诚信创造成功,品质铸就嘉诚,作为企业管理理念,遵循满足客户需求,为用户提供优良的品质,来赢得客户和市场的信任。

荣誉证书
  • 证书
  • 证书
  • 证书
  • 证书
  • 证书
  • 证书
新闻中心
  • 在工业和建筑领域中,过渡接头是非常重要的一种连接方式。它可以连接不同材料、不同直径、不同形状和不同厚度的管道或管件。在使用过程中,过渡接头不仅需要具备优异的密封性能和耐腐蚀性能,还需要符合相应的标准,以确保其在工作时的安全性和稳定性。 目前,国内外都有多种过渡接头标准,其中比较常见的包括美标、欧标、日标和中国国家标准。在本文中,我们将对这些标准进行详细介绍,以帮助读者更好地了解过渡接头的标准和规范...

    阅读更多
  • 就这类接头的作用来看,不论是在哪种系统中使用,具体的应用场所是怎样的,作用都是进行过渡,所谓的过渡其实就是用在两个需要连接但本身有不能直接进行连接的接头之间,达到将这样的两个接头连接起来的目的。

    阅读更多
  • 过渡接头是什么? 事实上大家采用常用的查询方式,在网上查询过渡接头的话,能够获得的资料是非常有限的,大多能够查询到的,都是说它实现两种不同型号的电缆相互连接的电缆接头,但明明很多用户都不是在电缆中使用这种接头,那为什么资料上会说它是一种电缆接头呢? 这只是资料不够齐全导致的,确实有电缆方面使用的过渡接头,这类接头也是电缆接头的一种,但其并不只是能够在电缆方面应用,在电器、液压系统等方面也是有应用的...

    阅读更多
留言反馈
美制螺纹NPSM接头行业知识